Aprašymas
Šildymo kontūro valdiklis Euroster UNI4
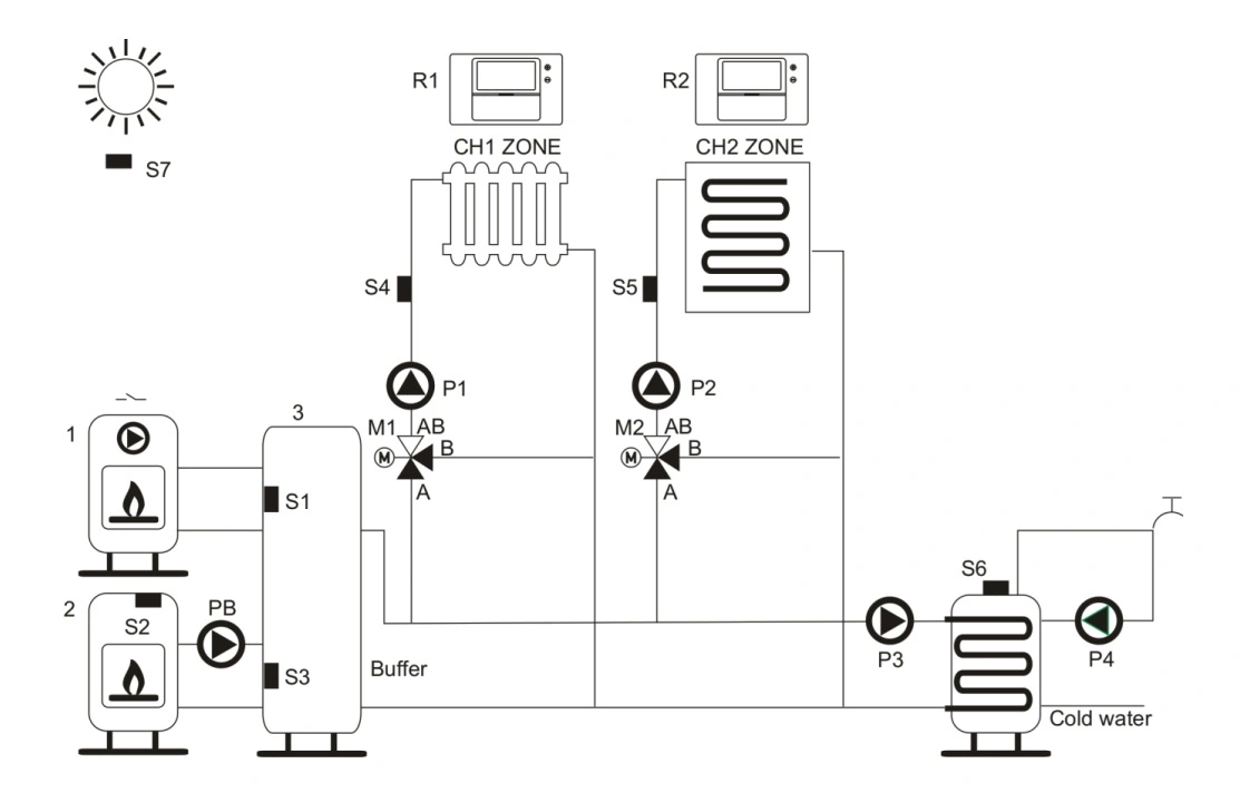
Oras kompensuojamas valdymo blokas, skirtas nepriklausomam šildymo sistemų valdymui su 2 šilumos šaltiniais ir 2 šildymo kontūrais su maišymo vožtuvais. Įrengta siurblio apsaugos nuo sustojimo sistema.
Euroster UNI4 yra universalus oro sąlygų reguliatorius, skirtas nepriklausomam šildymo sistemų valdymui su 2 šilumos šaltiniais ir 2 šildymo kontūrais su maišymo vožtuvais (pvz., radiatorinis ir grindų šildymas). Pažangūs valdymo algoritmai užtikrina be rūpesčių instaliacijos veikimą, o grafinis ekranas ir daugiafunkcinė rankenėlė – intuityvų ir draugišką valdiklio valdymą. „Euroster UNI4“ turi daug naudingų funkcijų ir siurblio nuo užstrigimo ir sustojimo sistemą, kuri neleidžia užstrigti nenaudojamam siurblio sparnuotės. Pasibaigus šildymo sezonui, sistema automatiškai paleidžia siurblį kas dvi savaites 30 sekundžių (kad sistema veiktų pasibaigus sezonui, valdiklį reikia palikti įjungtą).
Privalumai
- dviejų centrinio šildymo kontūrų su maišymo vožtuvais valdymas (pvz., radiatorius ir grindų šildymas),
- buitinio karšto vandens bako įkrovimo siurblio valdymas su galimybe įjungti pirmenybę,
- karšto vandens cirkuliacijos kontūro laiko kontrolė,
- bendradarbiavimas su dviem šilumos šaltiniais ir šilumos buferiu,
- galimybė valdyti šilumos šaltinį pagal darbo grafiką,
- šildymo arba vėsinimo valdymas su galimybe perjungti šildymą ir vėsinimą,
- nepriklausomas temperatūros ir oro sąlygų kreivės nustatymas kiekvienam šildymo kontūrui,
- nepriklausomas kiekvieno šildymo kontūro kambario reguliatoriaus valdymas ir tvarkaraštis,
- VASAROS/ŽIEMOS šildymo sezono pakeitimas,
- automatinis šildymo išjungimas ir įjungimas, priklausomai nuo lauko temperatūros,
- maišytuvo pavarų valdymas pagal PI algoritmą,
- karšto buitinio vandens cirkuliacijos kontrolė pagal nustatytą darbo grafiką,
- galimybė išjungti šildymo kontūro maišytuvo valdymą,
- karšto vandens kontūrų dezinfekavimo funkcija,
- išėjimas, skirtas valdyti dujinį katilą ar kitą šildymo įrenginį,
- aliarmo išėjimas,
- pavojingų ir pavojaus įvykių registras,
- galimybė išbandyti išėjimus,
- apsauga nuo perkaitimo, apsauga nuo užšalimo,
- kelių kalbų palaikymas.
- bendradarbiavimas su grindų šildymo kolektoriais

Šildymo kontūro valdikliai
Techninė specifikacija
| Charakteristika | Reikšmė |
|---|---|
| Valdomas įrenginys | du šildymo kontūrai su maišymo vožtuvais, karšto vandens kontūras, karšto vandens cirkuliacijos kontūras |
| Maitinimo įtampa | 230V 50Hz |
| Maksimalus energijos suvartojimas | 4 W |
| Didžiausia išėjimo apkrova | 100 W (kiekviena išvestis) |
| Vairuotojo išvestis | relė, įtampa siurbliams, vožtuvų pavaroms ir aliarmo išėjimo relė, be įtampos, skirta valdyti katilą ar kitą šildymo įrenginį |
| Temperatūros matavimo diapazonas | nuo -30°C iki +120°C |
| Temperatūros reguliavimo diapazonas | nuo +5°C iki +90°C |
| Temperatūros reguliavimo tikslumas | 1°C |
| Temperatūros indikacijų tikslumas | 1°C |
| Vizualinis signalizavimas | LCD ekranas su apšvietimu, RGB LED |
| Darbinė temperatūra | nuo +5°C iki +40°C |
| Laikymo temperatūra | nuo 0°C iki 45°C |
| Saugumo lygis | IP 20 |
| Spalva | pilka, RAL7035 |
| Surinkimo būdas | ant 35 mm DIN bėgelio, montavimas į apsauginę spintelę |
| Mišios | 545 g |
| Standartai, patvirtinimai, sertifikatai | atitiktis EMC, LVD ir RoHS direktyvoms |
| Garantija | 2 metai |
| Matmenys (plotis/aukštis/gylis) mm | 159,5/90/59 |
| Įranga | Euroster UNI4 valdiklis, maitinimo laidas, temperatūros jutikliai (7 vnt.), jutiklių juostos, plėtimosi kištukai, naudojimo instrukcija su garantija |












